PRODUCT

PRODUCT

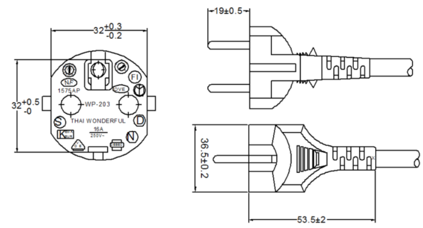
PLUG.TYPE E/VDE / IEC 60884 (include EU 9 countries)SNI, KC

STANDARD

DIN VDE 0620-1 , IEC-60884-1 , NF C 61-314 , CEE-7 ,

SNI 04-03892.1-2006 , SNI 04-03892.1.1-2003

Safety Mark

WP-201 CB , NEMKO , OVE , SEMKO , FIMKO,

VDE , KEMA , CEBEC , IMQ , NF , SNI , KTL  

Logo of safety mark
Rate Current & Voltage Mark 16A 250V
Attached wire cord H03VV-F 3G 0.75SQMM
H05VV-F 3G 0.75SQMM , 1.00SQMM , 1.50SQMM

 


 

ELECTRICAL CHARACTERISTICS

RESITANCE TO HEAT
NO DAMAGE : MARKING STILL BE LEGIBLE

100+2°C , 1 HR

N/A
COMPRESSION TEST
80+2°C , 1 HR , 20 N (2Kgs.)
N/A

INSULATION RESISTANCE
100 MEFA Ohm / 500V DC, 1 MIN

N/A

RESISTANCE TO AGEING

NO CRACK VISIBLE AND NO TRACE TO CLOTH

70+2°C , 168 HRS

N/A

CORD SET LONDING TESTER

100 TIMES 60N = sLbs.

1 TIME , 1 SEC. < 2mm.

N/A

 


 

PHYSICAL CHARACTERISTICS

Nominal Cable Diameter 4.38 mm
Cable Cold Bend -20±1℃ × 4 Hrs
Minimum Bend Radius 15 times O.D.
Temperature Rating (℃) 20℃ to 75℃
Temperature Voltage 300 V

 


 

Packing : CARTON

STANDARD

DIN VDE 0620-1 , IEC-60884-1 , NF C 61-314 , CEE-7 ,

SNI 04-03892.1-2006 , SNI 04-03892.1.1-2003

Safety Mark

WP-201 CB , NEMKO , OVE , SEMKO , FIMKO,

VDE , KEMA , CEBEC , IMQ , NF , SNI , KTL 

Logo of safety mark
Rate Current & Voltage Mark 16A 250V
Attached wire cord H03VV-F 3G 0.75SQMM
H05VV-F 3G 0.75SQMM , 1.00SQMM , 1.50SQMM

 


 

ELECTRICAL CHARACTERISTICS

RESITANCE TO HEAT
NO DAMAGE : MARKING STILL BE LEGIBLE

100+2°C , 1 HR

N/A
COMPRESSION TEST
80+2°C , 1 HR , 20 N (2Kgs.)
N/A
INSULATION RESISTANCE
100 MEFA Ohm / 500V DC, 1 MIN
N/A

RESISTANCE TO AGEING

NO CRACK VISIBLE AND NO TRACE TO CLOTH

70+2°C , 168 HRS

N/A

CORD SET LONDING TESTER

100 TIMES 60N = sLbs.

1 TIME , 1 SEC. < 2mm.

N/A

 


 

PHYSICAL CHARACTERISTICS

Nominal Cable Diameter 4.38 mm
Cable Cold Bend -20±1℃ × 4 Hrs
Minimum Bend Radius 15 times O.D.
Temperature Rating (℃) 20℃ to 75℃
Temperature Voltage 300 V

 


 

Packing : CARTON

產品構造Cable Structure

WP-203

TOP